Sissejuhatus
VDZ elektrilise määrdepumpa kasutatakse laialdaselt raskete seadmete (kahe traadiga süsteemide) automaatne määrdeainetes või toiteõli pumbana. VDZ elektrilise määrdepump, millel on tuum suure tõhususega, intelligentsusega ja vastupidavusega, võttes arvesse energiasäästu ja ohutust, on ideaalne valik tööstusseadmete määrdesüsteemi jaoks. Pumba kere lekkekindel disain, kohanege kõrge temperatuuri, tolmu ja muu karmi keskkonnaga, mis sobib ehitusmasinateks, metallurgiaks, kaevandamiseks, tuuleenergiaks ja muudeks raskete tööstusharude valdkondadeks.
- Kaherealiste süsteemide kasutamiseks
- Rakendused: kaevandamine, elektrijaamad, terasveskid
- Üksused töötavad tõhusalt temperatuuridel vahemikus –20 kuni 80 kraadi
- Kaitsta katte, rõhu gabariidiga
- Lai rasv nlgi 0-2#
- Suur levila hüdraulilise ajendatud võimsus: 400 baar.

Tehnilised andmed
|
Kirjeldus |
Automaatne määrdesüsteemid raskete seadmete jaoks |
||
|
Kaitseklass |
Ip65 |
||
|
Tööpinge |
380V |
||
|
Reservuaari võimsus |
40L |
60 L |
100L |
|
Väljalaskeavade arv |
1 |
||
|
Töörõhk |
400bar |
||
|
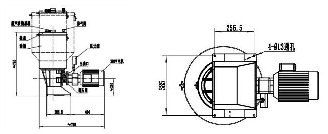
Mõõtmed (HXWXL) MM |
780*410*760 |
780*410*1015 |
868.75*410*990 |
|
Täitmismeetod |
Uuesti täiustama |
||
|
Töötemperatuur |
-40 kuni 80 kraadi |
||
|
Nihe |
8 l/h,14 l/h,24 l/h |
||
|
Põhiliiniühendus |
Naine G3\/4 |
||
|
Määrdeaine |
Nlgi 0#-2# |
||
Paigaldusjuhend

Funktsioonid\/seadmete omadused
- Tugev ja vastupidav
- Lihtne hooldus
- Saadaval on kolm määrdeaine väljundit
- Ultraheli kõrge ja madala õli taseme tõrjevõimalusega
- Sisseehitatud määrdeaine filter
Meie eelised
- Meie tooted on läbinud TS16949, CE, ISO9001 ja paljusid muid sertifikaate ning oleme hankinud rohkem kui 60 patenti kasuliku mudeli ja disaini jaoks.
- Keskendume kvaliteedikontrollile, kutsemeeskonnale ja edusammudele, et kontrollida iga toote kvaliteeti.
- Meil on täiustatud tootmisseadmed, näiteks toodete töötlemiskeskus, CNC puurimis- ja koputamiskeskus, CNC jahvatus- ja lihvimiskeskus, CNC-treipingid, CNC jahvatusmasin, automaatne jahvatusseadmed, CNC viieteljeline südamik, automaatne puhastusvahend ja mitmed tootekomplektiliinid.
KKK
K: Kuidas saada agendiks?
V: Kontrollige ametlikke nõudeid, esitage taotlus, pidage läbirääkimisi tingimuste ja märkide kokkuleppe, koolituse ja tugi ja.
K: Kuidas meie toodet kasutada?
V: Pakume iga toote jaoks üksikasjade kasutusjuhendit ja helistage või saatke meie teenindusosakonda.
Kuum tags: Elektrimäärde määrdepump, Hiina elektrimäärde määrdepumba tootjad, tarnijad, tehas

